headsdance headsdance
Design engineering services
  • (0.00)
Why should you work with me ?

We specialize in turning abstract concepts into tangible, reliable, and efficient realities. Our expertise is structured around three key service pillars:

1. Design Engineering Services
This is where your idea takes its first physical form. We create detailed, precise, and innovative designs that are not only functional but also optimized for manufacturing, cost, and performance.

  • Mechanics: Full mechanical design, 3D CAD modeling, finite element analysis (FEA), tolerance analysis, and design for manufacturability (DFM).

  • Electronics: Circuit design, schematic capture, PCB layout and routing, component selection, and system integration.

2. Consulting Engineering Services
Leverage our deep expertise to guide your project to success. We provide the strategic insight needed to navigate technical hurdles and make informed decisions.

  • Technical feasibility studies

  • Product development lifecycle management

  • Prototyping and testing strategy

  • Technical documentation and standards compliance

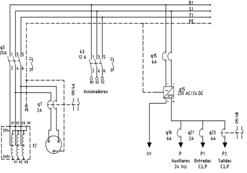
3. Electrical Engineering Services
We power innovation by designing robust and safe electrical systems.

  • Power distribution and control systems

  • Wiring harness and cable assembly design

  • Electrical load analysis and safety compliance (e.g., NEC, UL)

My Specializations

  • programming
  • mechanics
  • electricity
  • electronics
  • electrical engineering
  • Consulting engineering services
  • Design engineering services
Recent Reviews
empty
No recent reviews!
My Portfolio
Industrial Control System
IoT monitoring
electrical plans
electronic consulting
Freelancer Similar Skills
empty

No freelancer found!

We may use cookies or any other tracking technologies when you visit our website, including any other media form, mobile website, or mobile application related or connected to help customize the Site and improve your experience. learn more

Allow Reject